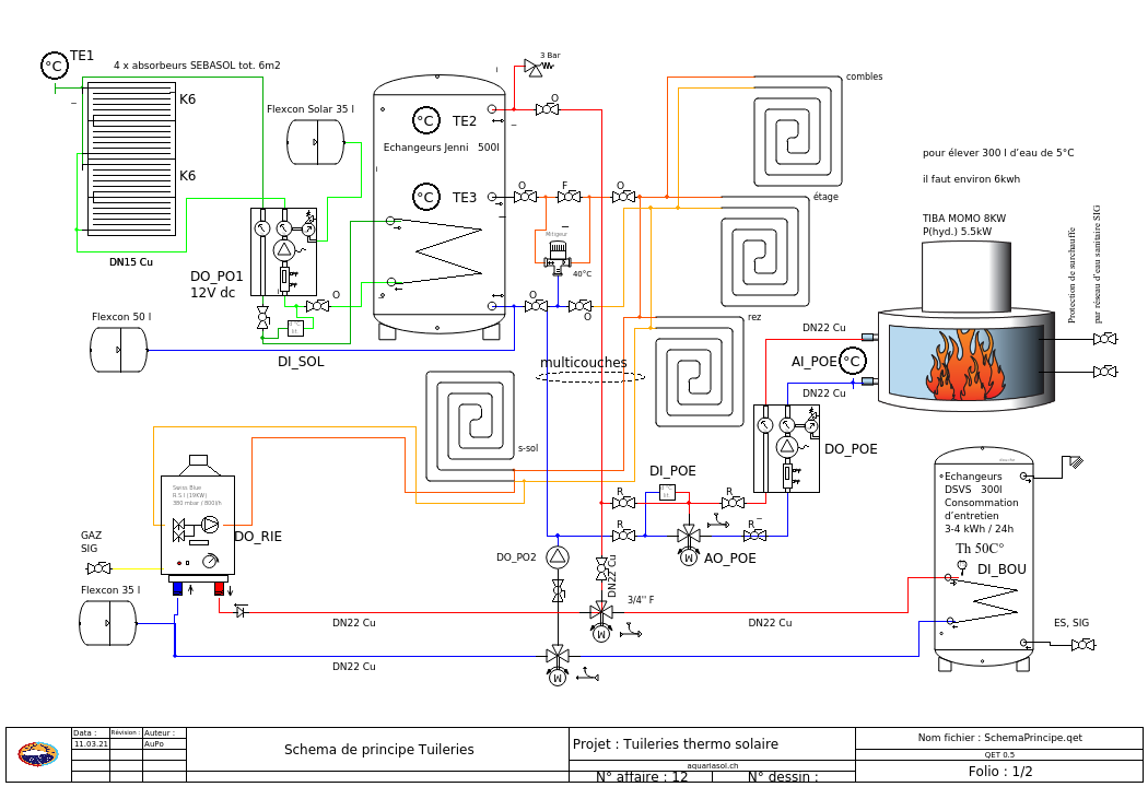
Tuileries thermique
Solaire thermique, poele, ECS et appoint au chauffage. Zero gaz depuis 2007, 4/5 stères du bon bois sec par hiver.
Chauffage & Poêle à bois:
si autorisation chauffage est active, poêle à bois(DO_POE) est allumé, thermostat boiler(DI_BOU) OFF, vanne 3 voie poêle à bois(AO_POE) ouverte > que 15% (hystérésis 0 - 5%)
alors enclenche pompe chauffage(DO_REG) (chaudière Riello) tant que les conditions sont présents.
Refroidissement nocturne:
si °C accumulateur haut(AI_TE2) est supérieure à 83°C (hystérésis 0 - (-3°C), °C accumulateur bas(AI_TE3) est supérieure à 62°C (hystérésis 0 - (-7°C), °C des collecteurs solaires(AI_TE1) est inférieur à °C accumulateur bas(AI_TE3) de 30°C (hystérésis 0 -20°C)
alors enclenche la pompe solaire(DO_PO1) tant que les conditions sont valides.